
Os pestillos son pequenos circuítos de memoria que cambian a saída en función dos niveis de pulso de entrada.Almacenan datos por pouco tempo e manteñen os sinais estables.Isto axuda a manter un bo funcionamento nos circuítos dixitais.Os pestillos admiten sistemas que non funcionan nun tempo perfecto, como controladores de alta velocidade e dispositivos periféricos.Tamén axudan a xestionar os cambios de entrada e saída nos portos de E/S.
Os pestillos admiten o almacenamento temporal de datos e axudan a aliñar os sinais nos circuítos dixitais.Isto reduce os problemas causados polas diferenzas de tempo entre os sinais.O almacenamento de datos estable mellora o rendemento en sistemas rápidos.Moitos dispositivos usan pestillos para manter o fluxo de sinal consistente.Os dispositivos periféricos dependen de pestillos para admitir a comunicación entre as partes de hardware conectadas.
Os pestillos agrúpanse segundo como responden aos sinais de entrada.Algúns pestillos usan un sinal de control de habilitación para permitir ou bloquear os cambios de datos.Isto fai que o funcionamento sexa máis flexible e controlado.Outros pestillos cambian de estado directamente en función dos sinais de entrada.Este deseño é sinxelo e rápido.Cada tipo encaixa con diferentes necesidades de circuíto dependendo do nivel de control e da velocidade.
Os pestillos utilízanse nos sistemas que precisan un cambio rápido e estable entre os estados de entrada e saída.No deseño de microcontroladores, os pestillos admiten o cambio entre os modos de entrada e saída nos sistemas de control.Isto permite un funcionamento preciso en procesos automatizados.Nos sistemas de sensores, os pestillos axudan a manter os datos estables durante os cambios rápidos.Isto admite a resposta en tempo real en sistemas como os vehículos.Os pestillos tamén se utilizan nos dispositivos de comunicación para manter os sinais fiables durante as condicións cambiantes.
Os circuítos Latch melloran a forma en que os sistemas dixitais manexan os cambios de datos.Admiten cambios rápidos e almacenamento de datos sinxelo.Isto leva a unha mellor velocidade de procesamento e un menor consumo de enerxía.Os pestillos tamén admiten o crecemento do sistema e o deseño flexible.Estes beneficios aparecen en sistemas integrados, redes de comunicación e sistemas de control industrial.
O deseño eficiente do pestillo céntrase nun funcionamento estable e rápido.O blindaxe axuda a bloquear o ruído eléctrico non desexado e mantén os sinais claros.Os métodos de comprobación de erros melloran a fiabilidade en condicións inestables.O retardo reducido e o uso de enerxía máis baixo melloran o rendemento xeral.Estes métodos admiten un mellor deseño do sistema e un funcionamento fiable en diferentes aplicacións.
Os pestillos funcionan como mecanismos a curto prazo para manter os estados de datos, preservando a información para manter a coherencia do sistema durante os períodos de transición.En escenarios con desequilibrios de tempo, como os procesadores de alta velocidade que interactúan con dispositivos periféricos máis lentos, os pestillos estabilizan momentáneamente os niveis de sinal, evitando erros e garantindo a fidelidade do sistema.A súa capacidade para aliñar diversos requisitos de temporización ofrece un apoio inestimable para evitar contratempos de sincronización que poden comprometer o fluxo de datos ou dificultar as operacións.Estes desafíos xorden a miúdo durante a posta a punto dos sistemas integrados ou durante a elaboración de marcos de comunicación, onde a precisión do tempo inflúe fortemente na transmisión de datos fluida.
Os pestillos desempeñan un papel importante na harmonización do intercambio de datos entre dispositivos que funcionan a distintas velocidades.Actúan como intermediarios reguladores para axilizar a comunicación desde procesadores de alta velocidade ata periféricos máis lentos, garantindo interaccións fluídas sen obstaculizar a eficiencia funcional nin sobrecargar as unidades de procesamento.Por exemplo:
• Na automatización industrial, os microcontroladores comunícanse con sistemas electromecánicos deseñados para funcionar a velocidades máis medidas.
• Ao actuar como amortiguadores temporais, os pestillos manteñen a interacción do sistema e manteñen os estándares de rendemento, mesmo en condicións que requiren fiabilidade continua.
Os pestillos melloran a dinámica dos portos de entrada e saída ao permitir que os portos xestionen de forma eficaz as transferencias de datos simultáneas.Almacenan temporalmente sinais de entradas ou saídas, aliviando a carga inmediata dos procesadores dentro de sistemas complexos.Considere:
• No procesamento de gráficos, os pestillos admiten taxas de actualización rápidas para visualizacións de imaxes dixitais ao aproveitar a súa capacidade para preservar momentáneamente o fluxo de datos.
• Esta disposición reduce a dependencia da potencia de procesamento da CPU, garantindo que os recursos informáticos se reasignen a tarefas máis esixentes, aumentando así o rendemento en todo o sistema.
Nas aplicacións sensibles á enerxía, os pestillos melloran a eficiencia operativa ao reducir o compromiso constante da CPU durante o manexo de datos.Ao estabilizar os sinais temporalmente, é necesario minimizar a atención do procesador, reducindo o consumo de enerxía ao tempo que optimiza a asignación de recursos.Os exemplos inclúen:
• As tecnoloxías de actualización rápida empregadas habitualmente en dispositivos portátiles ou dispositivos electrónicos portátiles dependen de pestillos para manter un funcionamento continuo sen impoñer unha carga indebida aos procesadores.
• A súa capacidade de actuar como titulares estatais intermediarios admite deseños que enfatizan o rendemento e a conservación equilibrados, apelando ás industrias que priorizan a sustentabilidade na funcionalidade do dispositivo.
Os pestillos contribúen a melloras holísticas nas arquitecturas dixitais.Ao garantir interaccións de datos sincronizadas e aliviar a tensión do procesamento, facilitan a escalabilidade do sistema e fomentan os avances no deseño.As aplicacións do mundo real que se benefician das súas capacidades de almacenamento en búfer inclúen:
• Redes de comunicación de alta velocidade que xestionan os atrasos de propagación cunha sincronización de sinal fiable.
• Sistemas de almacenamento como unidades de estado sólido que utilizan pestillos para optimizar os ciclos de lectura/escritura, logrando unha maior eficiencia do rendemento e unha latencia operativa reducida.
Estes exemplos mostran o importante papel dos pestillos nos sistemas dixitais modernos.O seu uso admite un equilibrio entre fiabilidade, velocidade e flexibilidade.

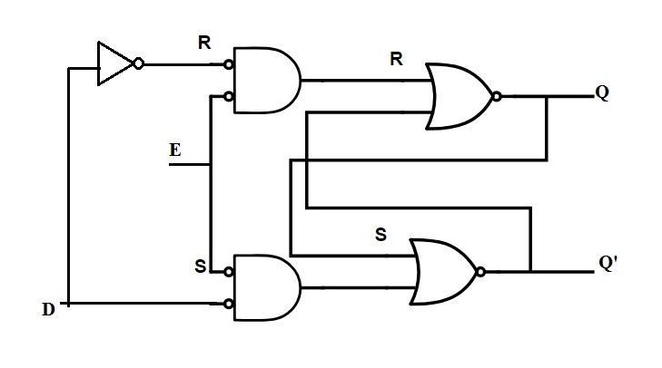
O marco operativo dun sistema de peche encapsula un enfoque estruturado pero intrincado para o deseño electrónico.Na súa fundación, o flip-flop D funciona como o medio de almacenamento principal, aumentado por unha rede de portas lóxicas fundamentais (AND, OU, NON).Estas portas interpretan os sinais dentro dun sistema guiado por un sinal de reloxo (C), que orquestra a sincronización precisa durante as transicións de estado.Entradas como os datos (D) e o sinal de reloxo invertido (C̅) interactúan para producir dúas saídas distintas: o sinal almacenado (Q) e o seu complemento (Q̅).
Afondando máis aló da estrutura, os principios do funcionamento activado por niveis proporcionan unha perspectiva máis clara sobre como funcionan os pestillos en diversas aplicacións.
• Captura de datos
Ao activar o sinal de activación, o pestillo captura e almacena activamente os datos entrantes.Este mecanismo reflicte unha necesidade práctica de preservar temporalmente a información, especialmente para sistemas que requiren almacenamento controlado de datos.A natureza selectiva deste proceso garante que só pasen as entradas relevantes, fomentando a precisión en ambientes controlados.
• Retención do Estado
Cando se desactiva o sinal de activación, o pestillo mantén de forma fiable o seu estado de saída actual.Isto garante a continuidade e evita alteracións non desexadas, unha característica beneficiosa para os sistemas que xestionan tarefas sensibles aos datos.Aplicacións como os búfers de memoria e os rexistros de almacenamento temporal aproveitan esta capacidade para garantir a integridade dos datos volátiles.
• Estabilidade temporal
Nos escenarios nos que o sinal de activación está inactivo, o pestillo protexe os seus valores almacenados contra as interrupcións causadas pola inestabilidade da entrada.Esta salvagarda aumenta a resiliencia do sistema, especialmente para aplicacións propensas ao ruído ou a picos transitorios, como os sistemas de control industrial ou as redes de comunicación dixital.
Os pestillos son importantes para optimizar a funcionalidade das matrices LED e as pantallas de tubos dixitais.Os seus mecanismos de bloqueo de datos sensibles ao tempo melloran a eficiencia ao reducir a necesidade de actualizacións constantes do sinal.
Por exemplo, considere pantallas estroboscópicas de varios díxitos con taxas de actualización duns 30 milisegundos.Ao almacenar temporalmente os sinais de datos, os pestillos alivian o procesador da carga dos ciclos de actualización continuos.Isto non só reduce a tensión computacional, senón que tamén reasigna os recursos do procesador a outras tarefas esixentes, como cálculos complicados ou manexo de interrupcións críticas.
En entornos multitarefa, os pestillos simplifican a xestión de recursos e melloran a coordinación das tarefas.Unha aplicación notable pódese ver nos paneis de control de automatización industrial.Aquí, os pestillos conservan os estados de saída desencadeados por sinais transitorios, o que permite aos sistemas xestionar procesos críticos de tempo sen comprometer a capacidade de resposta.
Esta arquitectura mitiga a latencia que pode xurdir durante a execución secuencial das tarefas.Como resultado, as operacións que requiren un tempo preciso e unha atención inmediata realízanse con maior eficiencia e fiabilidade.
A aplicación deliberada de pestillos demostra un equilibrio reflexivo: mediar entre as entradas efémeras e a durabilidade dos estados desexados.Aínda que se fundamentan nos principios electrónicos fundamentais, os pestillos revelan a relación simbiótica entre a sinxeleza estrutural e a adaptabilidade funcional.

Os pestillos presentan unha notable capacidade nos sistemas dixitais ao conservar os estados de saída independentemente das variacións de entrada ata que sexan activados por sinais de control específicos.Esta funcionalidade distintiva sitúa os pestillos como elementos centrais dentro dos circuítos integrados, especialmente en circuítos secuenciais, sistemas aritméticos e mecanismos para a retención de datos baixo demanda.A súa integración facilita a sincronización, o control minucioso e a preservación selectiva dos datos, todo o que contribúe a facer avanzar o potencial operativo dunha ampla gama de aplicacións dixitais.
Os pestillos teñen un papel destacado cando se empregan como rexistros de datos e búfers de memoria, exemplificando o seu uso en sistemas de microcontroladores que requiren interface de memoria externa.
• Retención de enderezos críticos: Cando se accede á memoria externa, os pestillos actúan como unidades de bloqueo de enderezos activadas por sinais como Address Latch Enable (ALE).Isto permite a retención temporal de datos de enderezos vitais, axilizando o procesamento de datos posterior e evitando sistematicamente conflitos entre os buses de enderezos e de datos.
• Estabilidade de tempo nas operacións de memoria: Os ciclos de lectura e escritura da memoria obteñen beneficios substanciais das propiedades estabilizadoras dos pestillos, diminuíndo os posibles erros de temporización e os retos de comunicación entre os compoñentes.
Os pestillos gardan os datos en estado estable, proporcionando unha base fiable para o deseño de sistemas modulares.Isto axuda a illar os procesos, facilitando a escala e a resolución de problemas sen afectar a outras partes.Este uso admite un funcionamento estable en sistemas como plataformas integradas que manexan cargas de traballo variadas.
Nos microcontroladores con portos de E/S multifuncionais pero compartidos, os pestillos son integrantes para mediar a competencia periférico.O bloqueo e o desbloqueo selectivos de rutas de datos melloran a coordinación das operacións simultáneas en sistemas complexos.
• Control de pantalla LED ou matricial: A través do almacenamento preciso de datos e transicións de estado, os pestillos permiten aos programadores xestionar secuencias ou animacións para as configuracións de iluminación.Os atributos como as altas taxas de actualización e o rendemento sen parpadeos optimízanse á vez que se preserva a sinxeleza no deseño do circuíto.
• Racionalización da multitarefa para unha funcionalidade paralela: O control secuencial dos estados de bloqueo ofrece aos arquitectos de sistemas a capacidade de deseñar procesos multitarefa sen esixir rutas de hardware separadas.Isto reduce as complicacións do hardware e admite menores requisitos de enerxía en sistemas eco-sensibles.
O perfeccionamento acumulado dos pestillos nos compoñentes do sistema a miúdo reflicte melloras de rendemento a longo prazo, facendo fincapé no seu valor en deseños computacionais eficientes.
Os pestillos destacan en aplicacións como a multiplexación de enderezos e a asignación dinámica de recursos de hardware compartidos, o que permite que os sistemas de microcontroladores alternen entre funcións competidoras en buses compartidos.
• Bloqueo de enderezos na expansión do porto: Ao expandir os portos, pestanas as entradas de enderezos seguras momentáneamente, o que permite un cambio de foco cara as tarefas de transmisión de sinal posteriores.Esta reutilización efectiva de recursos de hardware limitados promove a escalabilidade, un requisito fundamental nos sistemas sensibles aos custos que buscan un alto rendemento dentro de deseños limitados.
• Prototipado e depuración acelerados: A implementación práctica de pestillos evita a redundancia, promove a adaptabilidade e permite aos arquitectos de sistemas perfeccionar os fluxos de traballo de prototipado, depurar máis rápido e optimizar a utilización do hardware.
Estes principios de deseño modular, validados a través de aplicacións que van desde dispositivos portátiles ata automatización de plantas de fábrica, ilustran a capacidade dos pestillos para estender as funcionalidades do sistema mantendo economías esenciais.
Os pestillos úsanse en moitas aplicacións prácticas:
• Pantallas LED: En configuracións como os paneis de vallas publicitarias multiplexadas, os pestillos permiten taxas de actualización rápidas e unha emisión de luz constante, evitando as limitacións típicas de hardware nos circuítos de condución LED.
• Máquinas de estado en sistemas dixitais: Os sistemas secuenciais dependen en gran medida da integración de latch para modelar estados e fluxos de datos, o que garante operacións fiables en tempos de ciclo variables.
• Estratexias de expansión portuaria: As aplicacións de microcontroladores compactos aproveitan os pestillos para gobernar dinámicamente os periféricos, navegando polas complexidades operativas sen recorrer a solucións de hardware engorrosas.
A implantación de pestillos mostra estratexicamente a súa capacidade para afrontar os retos de precisión do tempo, coordinación funcional e optimización de recursos.A través da aplicación deliberada, convértense en algo máis que simples ferramentas de retención do estado, que serven como catalizadores para a axilidade do sistema, a escalabilidade refinada e a funcionalidade precisa dentro das arquitecturas dixitais modernas.
|
Característica |
Pestillos |
Tampóns |
|
Función principal |
Almacena e mantén os datos |
Transferir e xestionar o fluxo de datos |
|
Manexo de datos |
Conserva os datos ata que se modifiquen |
Pasa datos dunha parte a outra |
|
Finalidade |
Manter un estado estable |
Mellora o fluxo de sinal e a correspondencia de velocidade |
|
Exemplo de uso |
Mantendo os valores de saída |
Conectando procesador e periféricos |
Os pestillos úsanse cando os datos deben almacenarse e manterse estables.Os búfers úsanse cando os datos precisan moverse sen problemas entre as diferentes partes dun sistema.
Os búfers de tres estados poden funcionar en tres estados: lóxico alto, lóxico baixo e alta impedancia.A alta impedancia significa que o búfer está desconectado do circuíto.Isto axuda a que varios dispositivos compartan a mesma liña de datos sen conflitos.
Estes búfers admiten a comunicación bidireccional en autobuses compartidos.Tamén axudan a reducir o uso de enerxía ao apagar cando non é necesario.Isto mellora a eficiencia e evita interferencias de sinal.
|
Característica |
Pestillos |
Tampóns |
|
Papel clave |
Manteña os valores de datos |
Controlar o movemento de datos |
|
Comportamento |
Mantén o estado estable |
Axusta o fluxo de sinal |
|
Caso de uso |
Tarefas de temporización e almacenamento |
Correspondencia de velocidade e condución de sinal |
|
Impacto do sistema |
Mellora a estabilidade |
Mellora a comunicación |
Os pestillos céntranse en manter os datos sen cambios durante o funcionamento.Os búfers céntranse en asegurarse de que os sinais se moven correctamente entre os compoñentes.
|
Foco de deseño |
Pestillos |
Tampóns |
|
Mellor Uso |
Almacenamento e control de datos |
Enrutamento e transferencia de sinal |
|
Aplicación común |
Rexistros e circuítos de control |
Buses de datos e liñas de comunicación |
|
Forza |
Estabilidade e control |
Soporte de flexibilidade e velocidade |
Un bo deseño do sistema utiliza tanto pestillos como búfers xuntos.Os pestillos proporcionan almacenamento de datos estable, mentres que os búfers aseguran un fluxo de sinal suave.Este equilibrio axuda a reducir os atrasos, evitar a perda de sinal e mellorar o rendemento xeral do sistema.
Os chips da serie 74 simbolizan unha evolución no deseño de circuítos lóxicos, recoñecidos pola súa adaptabilidade e escalabilidade.Co paso do tempo, certas variacións anteriores enfrontáronse a unha aplicabilidade reducida debido a limitacións como velocidades operativas máis lentas, ineficiencias no uso de enerxía ou rendemento limitado no manexo de sistemas complicados.Non obstante, os principios fundamentais e a arquitectura seguen dando forma aos avances dixitais modernos, inspirando iteracións especializadas e de alto rendemento adaptadas ás necesidades contemporáneas.
A aparición da serie 74H abordou unha demanda crítica de capacidades operativas máis rápidas dentro da lóxica transistor-transistor (TTL).A súa velocidade mellorada marcou un avance medible, pero o aumento do consumo de enerxía limitou a súa eficacia en deseños sensibles á enerxía.
As observacións históricas mostran un claro descenso no seu uso xeneralizado, principalmente debido á crecente preferencia polos circuítos deseñados para equilibrar a eficiencia co rendemento, unha necesidade en deseños integrados optimizados para ambientes conscientes da enerxía.
A integración de díodos Schottky na serie 74S revolucionou o deseño TTL, reducindo os atrasos e mellorando as velocidades de procesamento computacional.
Aínda que a súa aplicación permaneceu concentrada dentro de áreas especializadas, esta serie deixou un impacto duradeiro na traxectoria dos derivados TTL de alta velocidade.Os seus fitos de rendemento sentaron as bases para os avances tecnolóxicos que seguiron.
A serie 74LS acadou un equilibrio ideal entre a fabricación económica e a fiabilidade operativa, proporcionando unha funcionalidade suficiente para sistemas pequenos e medianos.
Esta serie atopou un uso extensivo en deseños como controladores lóxicos básicos e circuítos computacionais de nivel medio.Converteuse nunha opción preferida en proxectos con restricións de orzamento, incluíndo prototipos académicos e aplicacións comerciais de nivel de entrada onde as compensacións do sistema eran unha consideración frecuente.
Velocidades de conmutación máis rápidas, medidas ao redor de 4 ns, e o consumo de enerxía reducido preto de 1 mW, definiron a serie 74ALS como unha actualización significativa con respecto aos deseños anteriores.
A súa idoneidade para os requisitos computacionais de alta velocidade e os sistemas conscientes da enerxía facíao cada vez máis atractivo para dispositivos que funcionan con batería.Recoñécese un gran potencial para as aplicacións que necesitan precisión e uso eficiente dos recursos.
A serie 74AS alcanzou unha notable velocidade de conmutación media de 1,5 ns, superando os límites da tecnoloxía TTL.
As industrias que buscan unha rápida adquisición de datos ou marcos experimentais adoptaron esta serie debido á súa capacidade para permitir transicións case instantáneas.Ao facelo, proporcionou vantaxes medibles en aplicacións nas que a velocidade operativa estaba ligada directamente ás métricas de éxito, incluídos os impactos financeiros e tecnolóxicos.
A presentación da serie 74HC unificou os beneficios do procesamento TTL e da eficiencia enerxética CMOS, logrando un menor uso de enerxía xunto con operacións de procesamento máis rápidas.
A compatibilidade coa serie 74LS permitiu un cambio suave aos sistemas baseados en CMOS.Esta serie admite aplicacións de electrónica portátil e IoT con escalado flexible e fácil integración.Estas funcións axudan a satisfacer as necesidades dos entornos tecnolóxicos que cambian rapidamente.
Os pestillos desempeñan un papel importante na electrónica dixital ao proporcionar almacenamento temporal de datos, estabilidade do sinal e unha mellor coordinación entre os compoñentes do sistema.Axudan a mellorar o control do tempo, admiten operacións de entrada e saída eficientes e reducen a carga de procesamento en moitas aplicacións.Desde rexistros e búfers ata control de pantalla e expansión de portos, os pestillos contribúen a un deseño do sistema fiable e flexible.O seu uso continuado en familias lóxicas da serie 74 tamén mostra o seu valor duradeiro tanto nos sistemas electrónicos tradicionais como nos modernos.
Un pestillo cambia a saída mentres o sinal de entrada estea activo, polo que responde inmediatamente aos niveis de entrada.Un flip-flop cambia a saída só nun bordo específico do reloxo, como o bordo ascendente ou descendente.Isto fai que un pestillo sexa sensible ao nivel e que un flip-flop se active polo bordo.Os pestillos son máis sinxelos e rápidos, mentres que as chanclas proporcionan un mellor control nos sistemas cronometrados.
O segundo estado refírese á condición de saída alternativa dun pestillo.Un latch adoita ter dous estados estables, un que representa o lóxico 0 e outro que representa o lóxico 1. O segundo estado é simplemente a outra condición despois de que se produza un cambio.Mostra que o pestillo pode cambiar e manter un novo valor.
LE controla cando o pestillo acepta datos de entrada.Cando LE está activo, o pestillo segue a entrada e actualiza o valor almacenado.Cando LE está inactivo, o pestillo mantén o último valor.OE controla se os datos almacenados se envían á saída.Cando OE está activo, a saída é visible.Cando OE está inactivo, a saída está desactivada, a miúdo colócase nun estado de alta impedancia.
2024/07/29
2024/08/28
2024/10/6
2024/07/4
2024/04/22
2023/12/28
2024/07/15
2024/11/15
2024/07/10
2025/09/20









